By Brent McDonald, Texas Instruments
Modern electronic systems need small, lightweight, high-efficiency power supplies. These supplies require cost-effective methods to take power from the AC power distribution grid and convert it to a form that can run the necessary electronics.
High switching frequencies are among the most significant enablers for small size. To that end, gallium nitride (GaN) switches provide an effective means to achieve these high frequencies, given their low parasitic output capacitance (Coss) and rapid turn-on and turn-off times. However, the high-power densities enabled by GaN switches can often be amplified by using additional technologies such as integrated magnetics, advanced control techniques, and printed circuit board (PCB)-based transformers.
In this article, I will examine these technologies in three corresponding systems: the integrated magnetics inside a 6.6kW onboard charger (OBC) for an electric vehicle (EV), the advanced control methods used inside a 5kW power factor corrector (PFC) for a server, and a small-form-factor PCB transformer inside a 1kW intermediate bus converter (IBC) for a server. These examples use high-performance GaN field-effect transistors (FETs) to operate the power supplies at the highest practical frequency. Each power supply also uses a novel technology to get more performance out of the GaN FETs. The end result is a high-efficiency, small-form-factor design density that achieves more power in smaller spaces. Table 1 lists the specifications for the three design examples.
OBC | PFC | IBC | |
Input | 240VAC, 60Hz | 230VAC, 60Hz | 48VDC |
Output | 350VDC | 400VDC | 12VDC |
Power | 6.6kW | 5kW | 1kW |
Power density | 62.5W/in3 | 120W/in3 | 1,300W/in3 |
Switching frequency | PFC: 120kHz
Capacitor-inductor-inductor-inductor-capacitor (CLLLC): 250kHz-800kHz |
70kHz-1.2MHz | 1MHz |
Enabling technologies | Integrated magnetics | Advanced control | PCB transformer |
Table 1. Overview of the design examples
Integrated magnetics inside a 6.6kW OBC for an EV
Figure 1 is a simplified schematic of an OBC [1] comprising two stages, both using high-performance GaN switches operating at a high frequency [2]. The first stage is a two-phase totem-pole PFC.

The coupled inductor used in the PFC works by using a single magnetic core for both windings. Equations 1 and 2 show the governing relationships between the winding voltages, currents, and inductances. In this design, L1 always equals L2.
Sharing a common core for both phases reduces overall inductor volume by about 30% above and beyond what GaN can achieve on its own. Figure 2 shows the current waveforms for the two windings of the coupled inductor shown in Figure 1. The switching frequency of each phase is 120kHz; however, because of coupling, the ripple current in each phase is 240kHz. The objective of the design is to choose inductances L1/L2 and M so that the root-mean-square (RMS) currents in the windings are as small as possible. Additionally, since physical size is roughly proportional to the inductance, you also want the inductance to be small.

Figure 3 plots the RMS current in the winding as a function of the self-inductance (L1 and L2) and the mutual inductance (M). Notice that a minimum in the RMS current occurs when the mutual inductance is approximately –20µH. The dark blue dot denotes the ideal design point. This combination of self-inductance and mutual inductance yields a minimum RMS current with relatively small inductance values. I derived the hatched area in Figure 3 from surveying practical, cost-effective designs from magnetics manufacturers. It turns out that, in practice, it’s not cost-effective to achieve a coupled inductor in this region. As a result, I shifted the design to select the inductances corresponding to the red dot. This design point still captures the RMS current benefits from using a coupled inductor without using large inductance values.

The second stage of the design uses a CLLLC topology for the DC/DC converter. This topology needs two inductors and a transformer. Designing the physical transformer such that the primary and secondary resonant inductors are the leakage inductances of the transformer will achieve a smaller overall form factor. Using the first harmonic approximation helps determine that the optimal inductances for this stage were a 14µH magnetizing inductance and a 2µH resonant inductance on the primary and secondary sides of the transformer. Operating the converter at 500 kHz to 800 kHz and integrating the inductors into a single physical structure with one core resulted in almost a 50% reduction in size compared to a state-of-the-art discrete solution (reference [3] offers more details about the design).
Advanced control methods inside a 5kW PFC for a server
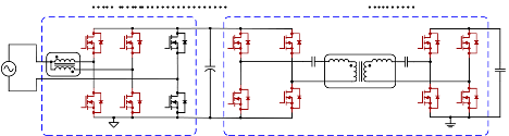
The two-phase, 5kW transition mode PFC for a server [4] operates with variable frequency to achieve zero voltage switching (ZVS) and a high-power factor at all operating points. To achieve this while keeping the overall size small, the operating frequency of the two phases varies between 70 kHz and 1.2 MHz. GaN is necessary to support the high switching frequencies [5]; however, you also need the advanced control techniques described in [6] to achieve ZVS and low total harmonic distortion (THD).
Figure 4 shows the topology for the power stage.

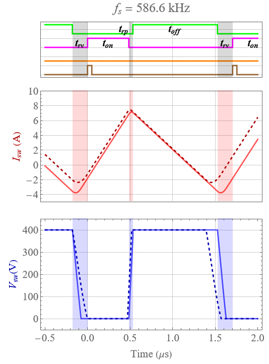
To achieve ZVS on every switching cycle — and simultaneously achieve low THD — the design uses a zero-voltage detection (ZVD) signal produced by the GaN switches [5]. This ZVD signal reports to the controller if the switches turn on with or without ZVS. With this information and the solution to the state plane for the FET resonant transitions, you can solve for the ideal timing to achieve ZVS on every switching cycle while also having an excellent power factor. Figure 5 illustrates this control.

Figure 6 shows the operating waveforms when the applied frequency is too low (left), ideal (center), and too high (right). You can see that both ZVD signals are present only when the applied frequency is at the ideal value; thus, varying the frequency until ZVD is achieved for both FETs will reveal the ideal operating point.

The ZVD signal, along with an accurate control law derived from the state plane, results in both high efficiency and very low THD, as shown in Figure 7.

PCB transformer inside a 1kW IBC for a server
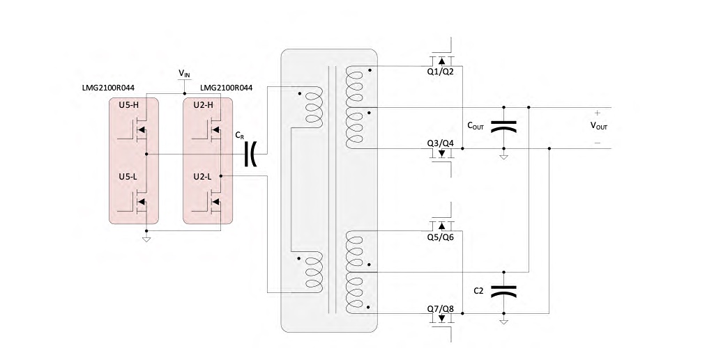
The final design example is a transformer in a high-density, 1 MHz, 1 kW one-eighth-brick inductor-inductor-capacitor (LLC) converter with an efficiency of over 98%. Like the first two examples, this design also uses GaN to achieve fast turn-on and turnoff times with low Coss [7]. An integrated PCB-based transformer eliminates the interconnect losses and reduces the size by wrapping the core around the PCB. Figure 8 is a schematic of the power stage and transformer structure.

Table 2 shows the tank parameters chosen for this design (for details on selecting these parameters, see references [7-9]).
Turns ratio | 4-to-1 |
Lr | 7nH |
Lm | 2µH |
Cr | 3.52µF |
Table 2. LLC tank parameters.
Most losses in the converter come from the RMS currents, thus requiring an accurate method to estimate the RMS currents in the transformer windings. The method presented in reference [10] does this by assuming that the magnetizing current stays constant when the converter operates at a switching frequency slightly below that of the resonant tank. With this assumption, creating a piecewise linear approximation of the LLC converter waveforms is possible. From these piecewise linear definitions of the current, you can derive the closed-form expressions of the RMS current for the transformer primary current and transformer secondary current, as shown in Equations 3 and 4:
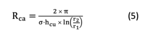
To approximate the losses, you must first estimate the DC resistance of the winding by calculating the difference between an exact planar winding arc and a DC finite element analysis (FEA) model for the actual winding geometry. Equation 5 shows the resistance formula for an exact planar arc:
where is the conductivity of copper, is the copper layer thickness, r1 is the inner radius of the arc, and r2 is the outer radius of the arc.
Figure 9 compares the DC FEA model for a circular arc and the exact winding geometry. Using only one-fourth of the model reduces the computational complexity. R+ and R– are two independent calculations of the winding resistances from the FEA model results; Rca is the output of Equation 5. The left plot calibrates the FEA model against Equation 5. The right plot determines the error between Equation 5 and the actual geometry. Using this error as a scale factor enables an adjustment of the model to correlate more closely to the real geometry.

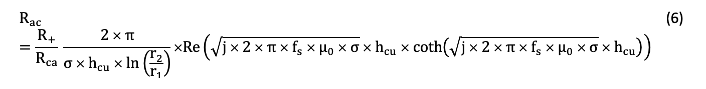
Equation 6 is the final winding loss equation with the calibration and AC loss (including the influences from reference [11]):
where fs is the switching frequency and is.
Ansys FEA software can check the transformer winding losses under transient excitation from the simulated LLC converter waveforms. Equation 6 matched the Ansys transient FEA model to within 1%.
Figure 10 is an image of the hardware.

Figure 11 illustrates the measured losses and efficiency from the hardware. I collected this data with a 48V input constant-current load and forced air. Figure 11 also shows the module efficiency and compares the predicted and measured losses.

Conclusion
GaN switches can increase the power density of various applications by enabling faster switching frequencies. However, the addition of technologies such as integrated magnetics, advanced control algorithms, and PCB-based magnetics can significantly reduce the footprint of a power supply even further, achieving more power in smaller spaces.
References
[1] Texas Instruments. n.d. “GaN-Based, 6.6-kW, Bidirectional, Onboard Charger Reference Design.” Texas Instruments reference design No. PMP22650. Accessed Jan. 22, 2024.
[2] Texas Instruments. n.d. LMG3522R030-Q1 automotive 650-V 30-mΩ GaN FET with integrated driver, protection, and temperature reporting. Accessed Jan. 22, 2024
[3] McDonald, Brent, and Markus Zehendner. “Optimizing GaN-Based High-Voltage, High-Power Designs.” Texas Instruments Power Supply Design Seminar SEM2500, literature No. SLUP412, 2021-2022.
[4] Texas Instruments. n.d. “Variable-Frequency, ZVS, 5-kW, GaN-Based, Two-Phase Totem-Pole PFC Reference Design.” Texas Instruments reference design No. PMP40988. Accessed Jan. 22, 2024.
[5] Texas Instruments. n.d. LMG3526R030 650-V 30-mΩ GaN FET with Integrated Driver, Protection and Zero-Voltage Detection. Accessed Jan. 22, 2024.
[6] McDonald, Brent, Sheng-Yang Yu, Branko Majmunovic, Johan Strydom, and John Kim. “A ZVD Control-Based 5kW iTCM Totem-Pole PFC for Server Power.” Published in 2023 Applied Power Electronics Conference and Exposition (APEC), March 19-23, 2023, pp. 2009-2013.
[7] Texas Instruments. n.d. LMG2100R044 100-V 4.4-mΩ half-bridge GaN FET with integrated driver and protection. Accessed Jan. 23, 2024.
[8] Huang, Hong. “Designing an LLC Resonant Half-Bridge Power Converter.” Texas Instruments Power Supply Design Seminar SEM1900, literature No. SLUP263, 2010-2011.
[9] Lu, Bing, Wenduo Lu, Yan Liang, F.C. Lee, and J.D. van Wyk. “Optimal Design Methodology for LLC Resonant Converter.” Published in 21st Annual IEEE Applied Power Electronics Conference and Exposition (APEC), March 19-23, 2006.
[10] Liu, Ya. 2007. “High Efficiency Optimization of LLC Resonant Converter for Wide Load Range.” Master’s thesis, Virginia Polytechnic Institute and State University.
[11] Dowell, P.L. “Effects of Eddy Currents in Transformer Windings.” Published in Proceedings IEE (U.K.) 113, no. 8 (August 1966): pp. 1387-1394.
Leave a Reply