by Rich Fry, Director ICT, TDK Corporation of America
The adoption of Power over Ethernet (PoE) in various applications is growing significantly, largely due to the added benefit it can provide for both the designer and end users: Fewer cords at workstations lower labor costs, and the ability to run an Ethernet LAN cable that provides both power and data for devices without the need for an electrician. Not only should engineers understand the PoE standard, but there are several considerations that those who are designing PoE applications should take into account when designing for PoE.
Overview
PoE supplies both data and power safely over an Ethernet cable to a device without requiring separate power cables or supplies. PoE maintains power strength over long cable runs without the use of a power repeater to inject more current into the cable. As a result, PoE devices can be installed anywhere there is an Ethernet port. This makes PoE ideal for building and office management applications.
By comparison, a competing standard — Power over USB — experiences significant power losses and lower power strength over long cables.
The adoption of PoE has significantly increased in recent years, mainly due to the retooling of building infrastructure that supports PoE devices as well as the increasing availability of devices that provide LAN connectivity for communications. These include IP-based phones, wireless access points, outdoor surveillance cameras, POS systems, fire alarm systems, and other building management devices.
Although PoE devices have been on the market for several years, businesses have continuously updated and developed their network and office infrastructure, allowing for higher-speed and higher-power devices to be connected. To meet these demands, the PoE+ standard was developed.

The Institute of Electrical and Electronics Engineers (IEEE), governs the PoE (IEEE 802.3af) and PoE+ (IEEE 802.3at) standards. PoE+ devices can provide significantly more power than PoE devices in some applications. This is done through standard CAT 3 or CAT 5 Ethernet cables with data rates of 10mbs, 100mbs, 2.5gbs, 5gbs or 10gbs.
In fact, existing systems with two pairs of cables that are compliant with IEEE 802.3af (PoE) can be designed for outputs of 15W, while the same can be done with IEEE 802.3at (PoE+) designed for outputs of 30 W. The new IEEE 802.3bt (PoE++) standard is designed for four pairs of cables, has been developed to supply devices with even a higher power demand (60 W and 90 W levels).
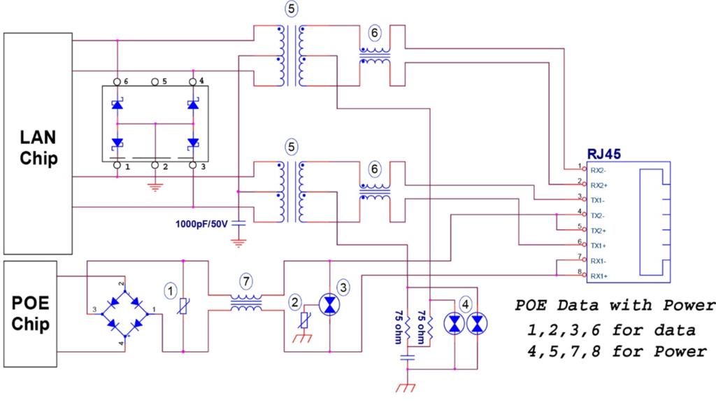
PoE devices are typically divided up into two types: Power Sourcing Equipment (PSE) and Powered Device (PD). Common examples of PSE include network switches, injectors, repeaters and extenders. Common examples of PD include IP-based phones, access points, and outdoor surveillance cameras. In some cases, devices – like modem or router – fall into both categories. Typically, PSE transmits power and data, while PDs consume both power and data.
PSE utilizes signal pairs within a Cat 3 or Cat 5 cable to provide power to a PD. The other pairs may be used for data or remain unused. PoE+ only uses a Cat 5 cable as it has twice as many cables as a Cat 3 cable. This provides more power, data and reliability to the PD.

Application design considerations
After understanding the various specifications and standards, engineers should consider the application of their design, including the type of device and how it will be used over the life of the product. They should evaluate the location and environment of the application, including if the design will be used indoors or outdoors which would inform the protection requirements of the application. They should also understand the experience users will have when setting up the PD or PSE, including if the application will be stationary or mobile. Additional design considerations include surge protection and suppression, the data rate, the power rate and security.
As an example of the different application requirements needed for powered devices, an IP-based phone may need to be moved around within an office and between cubicles multiple times throughout its life by a typical non-technical employee. In contrast an outdoor surveillance camera will require additional environmental protections and will remain stationary after its initial set up by IT staff.
An outdoor surveillance camera must be protected against environmental issues, and also have sufficient power, data rate and thermal management in order to operate. Additionally, it must be protected against different type of power surges including lighting strikes, solar flares and even water that may interfere with electrical signals. On the other hand, an IP-based office phone will not need this sort of protection, but may need data line encryption and a simple plug-and-play interface for office workers who often move cubicles.

PSE have different application requirements than that of PDs. In fact, most injectors must provide up to 30 watts of power and data to connecting PoE devices. Because they inject power, they require protection from power surges. Some network switches have a built-in injector that can expand the local area network and extend power and data signals over greater distances. If these PSEs are housed externally on buildings, then additional environmental, integrity and thermal management requirements are needed.
Because PSEs repeat and transmit power and data rather than consuming it, data and power signal losses, as well as the integrity of the signal across distances, is a factor in the overall design. Without enough data and power, the PD will be of little use to the end-user. However, due to the POE standard, PSEs may not require the same throughput of power and data, allowing for less expensive components in designs.
The data and power rate of the PSE dictates the length of the cable required within a PoE network. The ports of PoE PSEs can supply up to 15.4W and the ports of PoE+ PSEs can supply up to 30W. Power and data losses may occur over longer cable runs, especially when there is a potential for electrical interference. There are several calculators available online the can help engineers determine power and data losses based on the length of the cable, power requirements and number of devices within the network.
Each time power or data is increased, specialized transformers are required to protect the system. For example, Ethernet transmission rates of 10gbs require a new pulse transformer, especially if there is the possibility of a PoE application. Newer transformers will not use a traditional toroidal-shaped core, but have a specialized winding process that offers greater flexibility and stability for circuit boards than conventional LAN modules.
To save power and cost, most PSEs should not transmit the full power potential of PoE over cable runs to devices. Also, network operators may choose to use both PoE and non-PoE devices in the same network. While non-PoE equipment cannot transmit or relay power, they should not interfere with PoE devices and equipment within a network.

Partner selection
In PoE applications, a design and testing services partner is critical to the success of any design.
Specialized equipment and expertise are required for both the design and testing of PDs and PSEs. This will ensure that they will meet the industry, quality and safety standards specified by the design. As a result, it is crucial to select a partner that can provide design services, and help with the desired testing.
Most distribution partners and vendors work together to provide needed services to PD and PSE manufacturers. They can vet the design, ensure that the best and least expensive options are used and that the end device has the maximum protection needed for its application.
Conclusion
While this information provides only an overview of PoE design considerations, the adoption of the PoE standards in PDs and PSEs will result in a lower-cost and more efficient workplace, due to the ability to provide power and data through the same cable. As PoE is even more widely adopted, understanding these design considerations is essential to ensure the best design will be of benefit to operators of PoE networks and end users.
Leave a Reply