Peer-to-peer, engineer-to-engineer questions and answers from the EDABoard.com engineering community around power electronics. Click the “Read more” link and follow the entire conversation and maybe add your two cents by logging in to EDAboard.com
1 minute vs. 1-second isolation voltage test – Some offline transformers are spec’d for 3750vac for 1second (3mA). Some are spec’d for 3750vac for 1 minute (3mA). Generally, which applications require 1 minute? Is it mostly industrial apps? Read more
Bridge rectifier won’t rectify – I made a simple diode bridge rectifier, except that each diode is made up of ten STTH812 in series, and those are ultrafast 1200V 8A diodes with 100nS rrt and 400nS frt. But it doesn’t seem to want to rectify properly. Read more
Pulse transformer output measured vs. calculated? – I have a 1000 ohm resistor connected to the secondary winding of my pulse transformer, and I’m measuring voltage and current, which is all fine. But then I want to e.g. calculate the voltage by applying ohms law – then the calculated voltage is not even in the same range as the measured voltage, so there must be a problem somewhere, either in my calculation, measurement and/or expectations? Read more
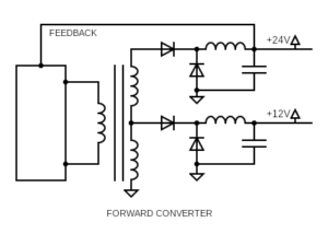
Center tapped transformer – I have designed a 2-switch forward converter (48VDC => 12/24VDC, 100W). As I need two outputs (12V/24V), I have decided to build a center-tapped transformer (for a better cross-regulation) like in the diagram below. Everything works fine, except I’ve got around 21V(??) on the tapped output. The secondary winding it’s made up of two identical layers (the second one (24V) being on top of the first one). So why do I get almost the same output voltage on the center-tapped output? The 24V output goes to the feedback input of the forward controller (UC3845), and it’s very stable. Read more
Switching regulator peak current – If a boost converter IC with a builtin switch rated for 5amps peak is powering a 2.8W load from a 4V input power supply at 70% efficiency, is the switching current going to be I = (2.8 / 4) * 1.7 = 1.19amps or is it always going to peak at 5amps but with a very small duty cycle? Read more
LTC4020 not regulating – I’m currently working on a design that’s trying to use the LTC4020 battery charger, and I’m at a loss to understand what I’m doing wrong. Here’s my schematic. Read more
Waste pulse energy recovery – I wish (actually a client does) to recover the energy of some consecutive pulses and I have only come up two half-baked ideas so far, so let me know what you think. Below is the pulse given, measured over a restive load. The x-axis is time in nano-seconds.
These are the constraints given:
1. The pulse amplitude and frequency can vary +/- 20% from pulse to pulse
2. The resistive load is limited to about 2 ohms
3. If required, the pulse can be made short as a few microseconds or stretched to about 300 microseconds. The average power remains the same regardless of pulse length.
Read more
IGBT based static voltage stabilizer – I am using an Isolation transformer to achieve a voltage, like a buck-boost transformer but I am confused with the static voltage transformer how it works in adding the voltage and subtracted can anyone explain to me the idea so I can design the Transformer and the IGBT using DSP. I have attached a diagram to understand the idea based on the link https://www.irjet.net/archives/V5/i1/IRJET-V5I118.pdf
Operating current in gate drivers – I understand the datasheet parameters of LM5102. I do not understand how the operating current measured (average / RMS current ) conditions are given as f=500khz in electrical characteristics
Can anyone share some insights on these? Read more
How to drive vending machine motor through MOSFET driver module – My vending machine works with the Arduino and relay module to drive the motor. But the relay output is not reliable and gives random switching sometimes. I am using 4 Channel relay module. So, I want to replace the relay module with an IRF520 mosfet module. Read more
Leave a Reply